











Зарегистрируйтесь, чтобы делать покупки, отслеживать заказы и пользоваться персональными скидками и баллами.
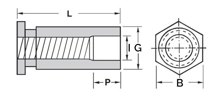
Данный тип специальных заклепок соответствует стандартам DIN7337, ISO15977–15984, а также ISO16582 и ISO16584. Под специальными типами мы понимаем заклепки, принцип действия которых соответствует указанным стандартам, но с отклонениями в определенных размерах, функциональных свойствах или комбинациях материалов.
Актуальную цену и наличие товара просьба уточнять у менеджера!
Форма головки | Стандартная |
Материал заклепки | Медь/Сталь |
Тип заклепки | Открытая |
D1 Ø | 4,8 |
Длина «L» | 14 |
Помогите другим пользователям с выбором - будьте первым, кто поделится своим мнением об этом товаре.

